三相單相電機指標對比
三相電機相較于單相電機擁有更低的溫升,更小的振動,更大的啟動轉矩。
單相電機與三相電機特點對比 額定運轉時,單相電機以電阻法測定其繞組溫度上升值為70K以下,而三相電機的溫度上升值為50K以下。
高標準的材質工藝需求
不忽視任何一個產品細節,才能得到高品質,可靠的產品。
●
采用H級(180℃)漆包線及絕緣材料,安全余量大 繞組采用Y形接法,每個繞組電壓僅為供電電壓一半,繞組實際工作電壓低不易擊穿損失,特別是
當電機采用變頻器驅動,可靠性優勢更高。

●
采用高精度滾齒機和滾刀加工高精度螺旋齒輪 精度高達IT5~6級。
●
采用含鉬合金鋼并經低溫時效處理 長期運轉變形小,精度高。
適應各種工況的耐久性
在高溫,低溫,高海拔等惡劣工況下仍能長久平穩的運行。
適合嚴酷的使用條件 · 適用于最低環境-10℃ · 適用于海拔高度提高到2000m · 適用最高環境溫度提高到45°C
· 適用于環境最高濕度90% · 適用于電壓偏差值10%
電機防水保護結構達到IP54。
適配各種需求的靈活性
擁有多種電壓等級,減速比及功率可以選擇,完美匹配需求。
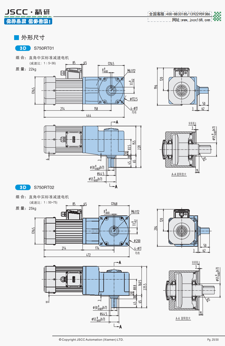
超多種減速箱適配 速比范圍1:3~1:200,可使用臥式,立式,直角中空,直角中實等多種裝配方式。
適配全球電壓,助力拓展業務 可選擇三相220V,三相380V,如有需要還可定制獨特電壓需求。